Thông tin sản phẩm:
- Lực tải: 80N
- Chất liệu: Thép
- Lớp phủ hoàn thiện: Mạ niken
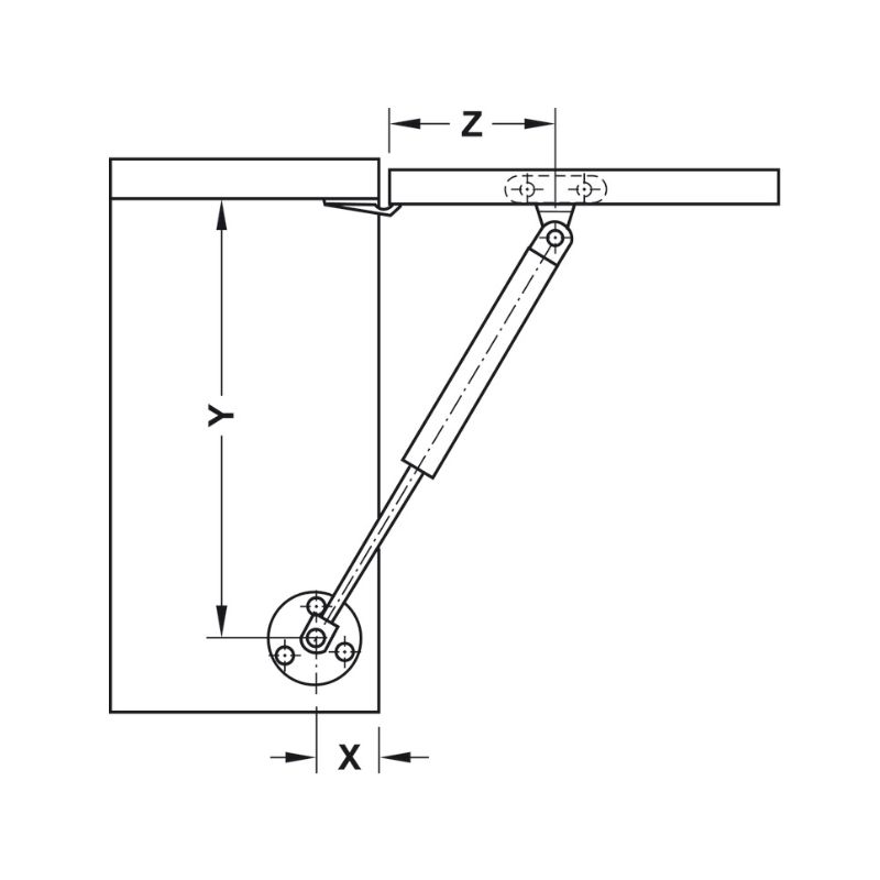
- Góc mở: 75°, 90°, hoặc 110°
- Nâng đỡ bằng khí nén
- Gắn kẹp trên bas bắt vít đã có sắn, không cần dụng cụ
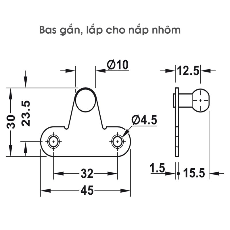
- Phù hợp với cánh làm bằng gỗ và có khung nhôm (được lựa chọn bas)
- Trọn bộ gồm: Trọn bộ gồm có 1 pittong đẩy cánh tủ, 1 bas gắn tủ, bas gắn với cánh gỗ, 1
- bas gắn cho cánh có khung nhôm, phụ kiện cố định và hướng dẫn lắp đặt.
- Bảng kích thước mẫu:
| Trọng lượng cánh tối đa (kg) với góc mở 75º | ||||
| Lực lò xo | Chiều cao cánh (mm) | |||
| 300 | 400 | 500 | 600 | |
| 80N | 2.7 | 2.0 | 1.6 | 1.4 |
| Trọng lượng cánh tối đa (kg) với góc mở 90º | ||||
| Lực lò xo | Chiều cao cánh (mm) | |||
| 300 | 400 | 500 | 600 | |
| 80N | 2.4 | 1.8 | 1.4 | 1.2 |
| Trọng lượng cánh tối đa (kg) với góc mở 110º | ||||
| Lực lò xo | Chiều cao cánh (mm) | |||
| 300 | 400 | 500 | 600 | |
| 80N | 2.1 | 1.6 | 1.2 | 1.0 |
Lưu ý: Các bảng kích thước mẫu trên áp dụng cho 1 bộ phụ kiện pittong đẩy cánh tủ. Tải trọng sẽ tăng gấp đôi khi sử dụng 2 bộ phụ kiện pittong đẩy cánh tủ để chuyển động mở những cánh tủ lớn được song song và đồng bộ
















Đánh giá
Chưa có đánh giá nào.